Introduction
Integrated Circuit
- set of electronic circuits on one small flat piece of semiconductor material
Scale of integration
- the number of components fitted into a standard size IC
Decoders
Convert binary information from n input lines to a maximum of output lines
2x4 Decoder
- selects an output line based on the 2-bit code supplied.

3x8 Decoder

- outputs represent the minterms
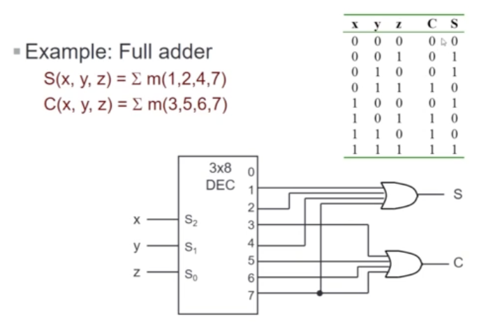
Implementing Functions
- A boolean function, in sum-of-minterms form →
- decoder to generate the minterms, and
- an OR gate to form the sum
- Any combinational circuit with n inputs and m outputs can be implemented with an decoder with m OR gates
- Good when circuit has many outputs, and each function is expressed with a few minterms
- Example of using a decoder to implement functions

Decoders with Enable
- Decoders often come with an enable control signal, so that the device is only activated when the enable, E = 1

- However, in most MSI decoders, the enable signal is a zero-enable.
- If you want to use the decoder, you put a 0 instead of a 1
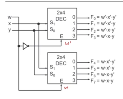
Constructing Larger Decoders
- you can construct larger decoders from smaller ones
- e.g. building a 3x8 decoder from two 2x4 decoder

Encoders
Encoding is the converse of decoding
- takes in input lines and produces output.

Priority Encoders
- if two or more inputs equal to 1, the input with the highest priority takes precedence
- If all inputs are 0, this input combination is considered invalid

Demultiplexers
- given an input line and a set of selection lines, a demultiplexer directs data from the input to one selected output line.
- e.g. 1-to-4-demultiplexer

Tip
Internally, a demultiplexer circuit is actually identical to a decoder with enable!

Multiplexers
- Also known as a data selector!
- A device that has:
- a number of input lines
- a number of selection lines
- one output line
- It steers one of inputs to a single output line, using n selection lines. Also known as a data selector.
- e.g.
4-to-1-multiplexer 
How to implement a 4-to-1-multiplexer?

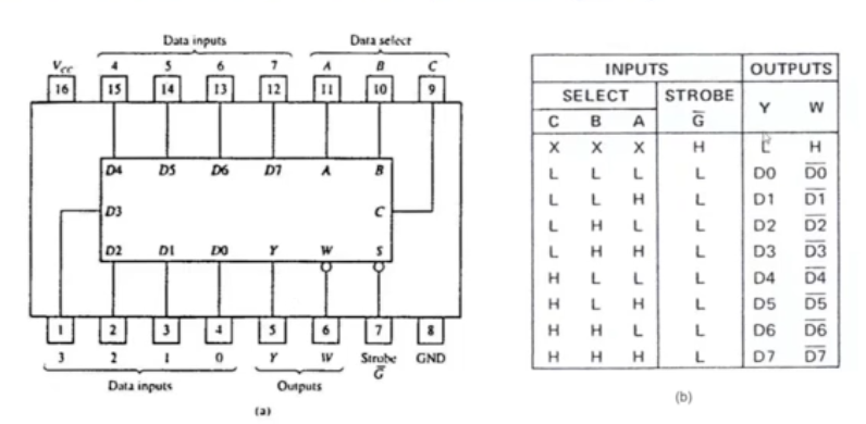
Standard MSI Multiplexer
8-to-1 multiplexer

#ssi